水泵系列
IH不锈钢化工泵
产品概述
一、IH型化工离心泵的概述:
IH型化工泵是单级单吸悬臂式离心泵,是一种用以取代F型耐腐蚀泵换代的节能产品,适用于化工、石油、冶金、电站、食品、制药、合成纤维等部门输送温度在-20℃~105℃的腐蚀性介质或物理、化学性能类似于水的介质。
二、IH型化工离心泵的性能范围(按设计点):
流量Q:6.3~400 m³/h
扬程H:5~125m
泵的工作设计压力为1.6MPa
IH型化工泵输送介质温度为-20℃~105℃,需要时采用双端面密封冷却装置,可输送介质温度为20℃~+280℃。耐腐蚀化工泵适用于化工、石油、冶金、电力、造纸、食品、制药、环保、废水处理和合成纤维等行业用于输送各种腐蚀的或不允许污染的类似于水的介质。
三、IH型化工离心泵的性能范围:
流量Q:6.3~400m3/h 扬程H:5~132m
转速n:2900、1450r/min 配带功率:0.55~110KW
进口直径:50~200mm 工作压力:1.6Mpa
IH型系列泵有29个基本型,其中22个双速(2900、1450r/min)经过A、B两种型式的叶轮直径切割变型后,达112个规格。
泵的结构:
IH型泵是行业采用ISO国际标准联合设计的系列产品,其主要由泵体、叶传输线、密封环、叶轮螺母、泵盖、密封部件、中间支架、轴、悬架部件等组成。
泵的结构特点:
泵盖通过止口固定在中间支架上,然后通过泵体与中间支架止口的联接把泵盖夹紧在中间,泵体是轴向吸入,径向排出,脚支承式,可直接固定在底座上。悬架部件通过止口固定固定在中间支架上,并用悬架支架支撑在底座上。为拆卸方便,设计了加长联轴器,检修时可以不拆卸进出口联接管路,泵体和电动机。只需拆下联轴器的中间联接件,即可退出转子部件进行检修。这是国际上通用的一种结构形式。
泵的旋转方向:
泵通过加长联轴器由电动机直接驱动,从电动机端看,按顺时针方向旋转。
泵的轴封型式:
填料密封:泵盖内设有填料函,采用软填料密封,填料函内可通入有一定压力的水,供密封冷却,润滑、清洗用。
机械密封:单端面机械密封和双端面机械密封两种型式,密封腔内通入一定压力的水,冲洗磨擦两端面,同时起冷却作用。
泵的密封型式采用填料密封或机械密封,由用户根据需要适用,同时根据需要允许采用适合于ISO3069规定的密封空腔尺寸和其他结构的轴封型式,如带波纹管的机械密封和付叶轮密封等等。
工作条件
流量Q:6.3-400m3/h 转数N:2900-1450r/min 口径DN:50-200mm
扬程H:5-125m 配带功率:0.55-90kw 工作压力P:1.6Mpa
型号意义
例如:IH50-32-160
IH-国际标准单级单吸化工离心泵
50-吸入口直径(mm)
32-排出口直径(mm)
160-叶轮名义直径(mm)
160-叶轮名义直径(mm)
四、IH型化工离心泵的的结构特点:
泵盖通过止口固定在中间支架上,然后通过泵体与中间支架止口的联接把泵盖夹紧在中间,泵体是轴向吸入,径向排出,脚支承式,可直接固定在底座上。悬架部件通过止口固定固定在中间支架上,并用悬架支架支撑在底座上。为拆卸方便,设计了加长联轴器,检修时可以不拆卸进出口联接管路,泵体和电动机。只需拆下联轴器的中间联接件,即可退出转子部件进行检修。这是国际上通用的一种结构形式。
化工泵的旋转方向:
泵通过加长联轴器由电动机直接驱动,从电动机端看,按顺时针方向旋转。
泵的轴封型式:
填料密封:泵盖内设有填料函,采用软填料密封,填料函内可通入有一定压力的水,供密封冷却,润滑、清洗用。
机械密封:单端面机械密封和双端面机械密封两种型式,密封腔内通入一定压力的水,冲洗磨擦两端面,同时起冷却作用。
泵的密封型式采用填料密封或机械密封,由用户根据需要适用,同时根据需要允许采用适合于ISO3069规定的密封空腔尺寸和其他结构的轴封型式,如带波纹管的机械密封和付叶轮密封等等。
IH型化工泵输送介质温度为-20℃~105℃,需要时采用双端面密封冷却装置,可输送介质温度为20℃~+280℃。适用于化工、石油、冶金、电力、造纸、食品、制药、环保、废水处理和合成纤维等行业用于输送各种腐蚀的或不允许污染的类似于水的介质。
拆卸与装配
拆卸:
由于采用了加长联轴器,拆卸泵时,不必拆卸进、出口管路,泵体和电机,只需拆下加长联轴器中的中间联轴器,即可拆出转子部件,进行维修、保养。
1、拆下泵体上的泄液管堵和悬架体上的放油管堵,放净泵内液体和悬架体内的润滑油。(注: 如泵上还有另外附加管路亦应拆下)。
2、拆开泵体与中间支架的联结、并将中间支架、悬架部件和泵盖等全部转子部件从泵体中一起退出。
3、拆下,叶轮螺母、取下叶轮和键。
4、将泵盖连同轴套、机械密封端盖和稞械密封等部件一起从轴上退出。注意勿使轴套相对于泵盖等发生滑动,然后再拆下机械密封端盖,将机械密封连同轴套一起取下,再将轴套和机械密封拆开。
如果密封采用填料,则可从泵盖中直接拆下轴套,再顺次拆下填料压盖,填料和填料环等。
如果密封采用特殊结构,应注意不同的拆卸方法。
5、拆下中间支架与悬架支架。
6、拆下泵联轴器和键。
7、拆下悬架体两端的防尘盘和轴承的前、后盖,再将轴连同轴承一起从悬架体内取下。
8、从泵轴上拆下轴承。
装配
与拆卸程序相反进行。
起动、运行和停止
1. 起动前准备
1) 起动前要把泵和现场清理千净。
2) 检查托架内润滑油量是否适量〈油面在油位计中心线2mm左右)油位计是否完好。
3) 未接联轴器前检查原动机的转向,与泵的转向箭头一致后,接好联轴器。
4) 在装好机械密封或填料和联轴器后可方使地用手转动泵轴,应无碰擦现象,并将联轴器的防护罩安装好。
5) 泵在吸上情况下使用,起动前应灌泵或抽真空;泵在倒灌情况下使用,起动前应用所输送液体将泵灌满,驱除泵中的空气后,将吐出管的闸阀关闭。
6) 起动前检查基础螺检有无松动。压盖是否歪斜,以及润滑油和冷却水的供应情况。
2. 起动
1) 关闭进出口压力(或真空)计和出水阀门、(如有旁通管、此时也应关闭。〉起动电机(先点动、确认泵转向正确后,才开始正式运行。),然后打开进出口压力(或真空)计,当泵达到正常转速,且仪表指出相应压力时,再慢慢打开出水阀门,调节到需要的工况。在吐出管路关闭的情况下,泵连续工作的时间,不能超过3分钟。
2) 起动过程中要时时注意原动机的功率读数及泵的振动情况,振动数不应超过0.06毫米,测定部位是轴承座。
3) 密封情况:机械密封应无泄漏、发热现象、填料密封^I呈连续滴流状态。
3. 运行
1) 经常检查泵和电机的发热情况(轴承的温升不应超过75℃〉及油位计供油情况。〈一般每运行1500小时后,要全部更换润滑油一次〉。
2) 不能用吸入阀来调节流量,避免产生汽蚀。
3) 泵不宜在低于30%殳计流量下连续运转,如果必须在该条件下连续运转,则应在出口处安装旁通管,排放多余的流量。
4) 注意泵运转有无杂音,如发现异常状态时,应及时消除或停车检查。
4. 停止
1) 慢关闭吐出口管路闸阀〈如果泵在倒灌情况下使用,还要关闭吸入管路的闸阀)、并关闭各种仪表的开关。
2) 切断电源
3) 如果密封采用外部引液时,还要关闭外引液阀门。
4) 如果环境温度低于液体凝固点时,要放净泵内的液体,以防冻裂。
5) 如果长时间停车不用,除将泵内的腐蚀性液体放净外,各零部件应拆卸清洗干净,尤其是密封腔。将泵拆下清洗后重新装好,除涂油防锈处理和封闭泵进、出口外,还应定期检I
五、IH型系列化工泵的性能范围:
流量Q:6.3~400m3/h 扬程H:5~132m
转速n:2900、1450r/min 配带功率:0.55~110KW
进口直径:50~200mm 工作压力:1.6Mpa
IH型系列泵有29个基本型,其中22个双速(2900、1450r/min)经过A、B两种型式的叶轮直径切割变型后,达112个规格。
性能参数
IH型泵适于化工、石油、石油化工、冶金、轻工、印染、制药、环保、海水淡化、海上采油、造纸、食品等工业部门输送不含固体颗粒的有机或无机化工介质、石油产品及腐蚀性的液体。适用范围
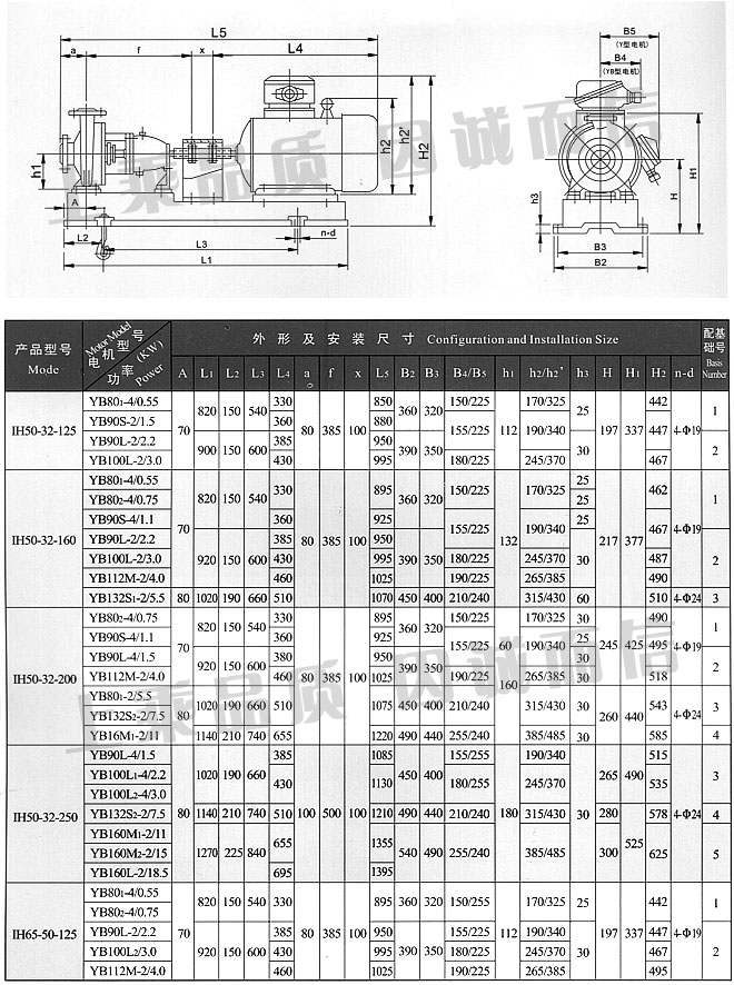
安装尺寸
产品用途
IH型泵适于化工、石油、石油化工、冶金、轻工、印染、制药、环保、海水淡化、海上采油、造纸、食品等工业部门输送不含固体颗粒的有机或无机化工介质、石油产品及腐蚀性的液体。
|
型号
|
进口←
|
出口→
|
流量
|
扬程
|
配用电机
|
叶轮直径
|
||
|
进口-出口-叶轮(mm)(mm)(mm)
|
mm
|
mm
|
(m3/h)
|
(m)
|
||||
|
转速r/min功率(KW)
|
mm
|
|||||||
|
IH25-25-125
|
25
|
25
|
4
|
20
|
2900
|
1.1
|
125
|
|
|
IH25-25-160
|
25
|
25
|
4
|
32
|
2900
|
1.5
|
160
|
|
|
IH32-25-125
|
32
|
25
|
5
|
20
|
2900
|
1.5
|
125
|
|
|
IH32-25-160
|
32
|
25
|
5
|
32
|
2900
|
2.2
|
160
|
|
|
IH32-25-200
|
32
|
25
|
5
|
50
|
2900
|
3
|
200
|
|
|
IH40-32-125
|
40
|
32
|
7
|
20
|
2900
|
1.5
|
125
|
|
|
IH40-32-160
|
40
|
32
|
7
|
32
|
2900
|
2.2
|
160
|
|
|
IH40-32-200
|
40
|
32
|
7
|
50
|
2900
|
4
|
200
|
|
|
IH50-32-125
|
50
|
32
|
12.5
|
20
|
2900
|
2.2
|
125
|
|
|
IH50-32-125
|
50
|
32
|
6.3
|
5
|
1450
|
0.55
|
125
|
|
|
IH50-32-160
|
50
|
32
|
12.5
|
32
|
2900
|
3
|
160
|
|
|
IH50-32-160
|
50
|
32
|
6.3
|
8
|
1450
|
0.55
|
160
|
|
|
IH50-32-200
|
50
|
32
|
12.5
|
50
|
2900
|
5.5
|
200
|
|
|
IH50-32-200
|
50
|
32
|
6.3
|
12.5
|
1450
|
0.75
|
200
|
|
|
IH50-32-250
|
50
|
32
|
12.5
|
80
|
2900
|
11
|
250
|
|
|
IH50-32-250
|
50
|
32
|
6.3
|
20
|
1450
|
1.5
|
250
|
|
|
IH65-50-125
|
65
|
50
|
25
|
20
|
2900
|
3
|
125
|
|
|
IH65-50-125
|
65
|
50
|
12.5
|
5
|
1450
|
0.55
|
125
|
|
|
IH65-50-160
|
65
|
50
|
25
|
32
|
2900
|
5.5
|
160
|
|
|
IH65-50-160
|
65
|
50
|
12.5
|
8
|
1450
|
0.75
|
160
|
|
|
IH65-40-200
|
65
|
40
|
25
|
50
|
2900
|
11
|
200
|
|
|
IH65-40-200
|
65
|
40
|
12.5
|
12.5
|
1450
|
1.1
|
200
|
|
|
IH65-40-250
|
65
|
40
|
25
|
80
|
2900
|
15
|
250
|
|
|
IH65-40-250
|
65
|
40
|
12.5
|
20
|
1450
|
2.2
|
250
|
|
|
IH65-40-315
|
65
|
40
|
25
|
125
|
2900
|
30
|
315
|
|
|
IH65-40-315
|
65
|
40
|
12.5
|
32
|
1450
|
4
|
315
|
|
|
IH80-65-125
|
80
|
65
|
50
|
20
|
2900
|
5.5
|
125
|
|
|
IH80-65-125
|
80
|
65
|
25
|
5
|
1450
|
0.75
|
125
|
|
|
IH80-65-160
|
80
|
65
|
50
|
32
|
2900
|
7.5
|
160
|
|
|
IH80-65-160
|
80
|
65
|
25
|
8
|
1450
|
1.1
|
160
|
|
|
IH80-50-200
|
80
|
50
|
50
|
50
|
2900
|
15
|
200
|
|
|
IH80-50-200
|
80
|
50
|
25
|
12.5
|
1450
|
2.2
|
200
|
|
|
IH80-50-250
|
80
|
50
|
50
|
80
|
2900
|
30
|
250
|
|
|
IH80-50-250
|
80
|
50
|
25
|
20
|
1450
|
4
|
250
|
|
|
IH80-50-315
|
80
|
50
|
50
|
125
|
2900
|
45
|
315
|
|
|
IH80-50-315
|
80
|
50
|
25
|
32
|
1450
|
5.5
|
315
|
|
|
IH100-80-125
|
100
|
80
|
100
|
20
|
2900
|
11
|
125
|
|
|
IH100-80-125
|
100
|
80
|
50
|
5
|
1450
|
1.5
|
125
|
|
|
IH100-80-160
|
100
|
80
|
100
|
32
|
2900
|
15
|
160
|
|
|
IH100-80-160
|
100
|
80
|
50
|
8
|
1450
|
2.2
|
160
|
|
|
IH100-65-200
|
100
|
65
|
100
|
50
|
2900
|
30
|
200
|
|
|
IH100-65-200
|
100
|
65
|
50
|
12.5
|
1450
|
4
|
200
|
|
|
IH100-65-250
|
100
|
65
|
100
|
80
|
2900
|
45
|
250
|
|
|
IH100-65-250
|
100
|
65
|
50
|
20
|
1450
|
5.5
|
250
|
|
|
IH100-65-315
|
100
|
65
|
100
|
125
|
2900
|
75
|
315
|
|
|
IH100-65-315
|
100
|
65
|
50
|
32
|
1450
|
11
|
315
|
|
|
IH125-100-200
|
125
|
100
|
200
|
50
|
2900
|
45
|
200
|
|
|
IH125-100-200
|
125
|
100
|
100
|
12.5
|
1450
|
7.5
|
200
|
|
|
IH125-100-250
|
125
|
100
|
200
|
80
|
2900
|
75
|
250
|
|
|
IH125-100-250
|
125
|
100
|
100
|
20
|
1450
|
11
|
250
|
|
|
IH125-100-315
|
125
|
100
|
200
|
125
|
2900
|
110
|
315
|
|
|
IH125-100-315
|
125
|
100
|
100
|
32
|
1450
|
18.5
|
315
|
|
|
IH125-100-400
|
125
|
100
|
100
|
50
|
1450
|
30
|
400
|
|
|
IH150-125-250
|
150
|
125
|
200
|
20
|
1450
|
18.5
|
250
|
|
|
IH150-125-315
|
150
|
125
|
200
|
32
|
1450
|
30
|
315
|
|
|
IH150-125-400
|
150
|
125
|
200
|
50
|
1450
|
55
|
400
|
|
|
IH200-150-250
|
200
|
150
|
400
|
20
|
1450
|
37
|
250
|
|
|
IH200-150-315
|
200
|
150
|
400
|
32
|
1450
|
55
|
315
|
|
|
IH200-150-400
|
200
|
150
|
400
|
50
|
1450
|
90
|
400
|
|
|
IH250-200-315
|
250
|
200
|
550
|
32
|
1450
|
75
|
315
|
|
|
IH250-200-450
|
250
|
200
|
600
|
60
|
1450
|
160
|
450
|
|
结构图







